Cheie cu stifturi articulatie portanta | pentru Mercedes-Benz-M-Klasse

BGS
131,54 Lei
In stoc la furnizor

Durata de livrare: Acest produs se expediază în aproximnativ 7 zile.

Limita stoc
Adauga in cos
Cod Produs: bgs-5420 Ai nevoie de ajutor? 0799 490 778
Adauga la Favorite Cere informatii
  • Descriere
  • Review-uri (0)
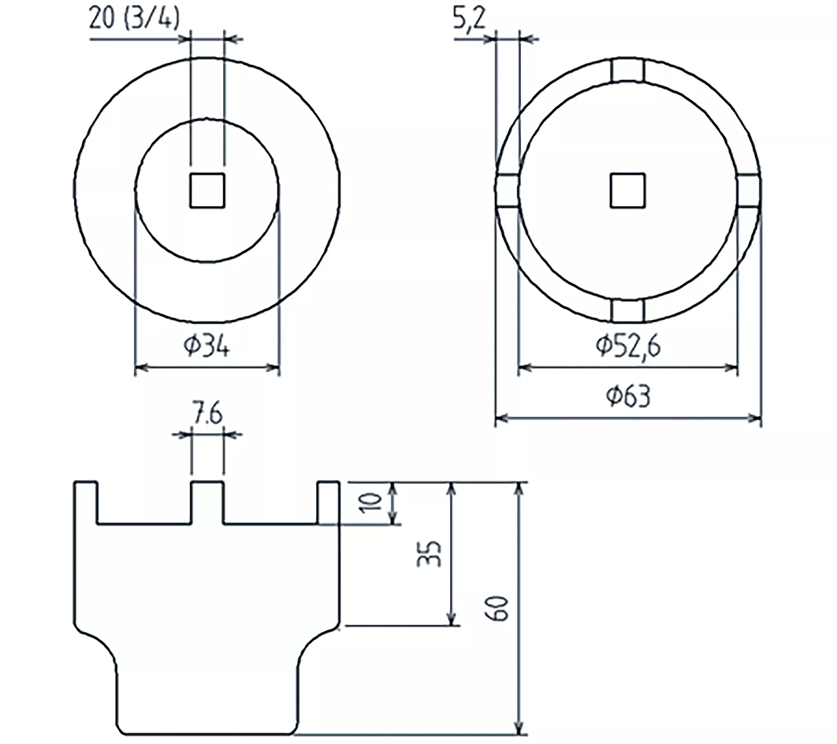
  • pentru Mercedes-Benz clasa M W163 până în iunie 2005 respectiv W164 începând cu 2005
  • înlocuire profesională a articulaţiei portante a osiei din faţă şi osiei din spate
  • facilitează desfacerea respectiv strângerea cu momentul corect al contrapiuliţelor de la articulaţiile portante
  • adecvat pentru articulaţiile portante inferioare la osiile faţă şi spate
  • Acţionare 3/4"
Informatii conformitate produs
Daca doresti sa iti exprimi parerea despre acest produs poti adauga un review.

Review-ul a fost trimis cu succes.

Suport clienti Telefon de Luni-Vineri 9:00 -16:00 Timp de raspuns pe mail max. 1 zi lucratoare

0799 490 778 contact@etronic.ro

Compara produse

Trebuie sa mai adaugi cel putin un produs pentru a compara produse.

A fost adaugat la favorite!

A fost sters din favorite!